PTF 7/8"
PTF 7/8"
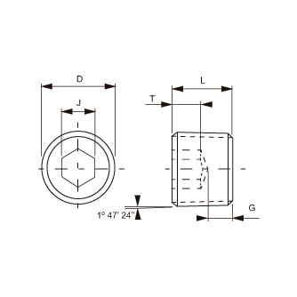
Tampão de pressão incorporado PTF, 7/8"
Normas ANSI B2.2 - ANSI B1.20.3
Liga de aço de alta resistência
| Ref. | D | L | J | T min. | G min. | ||
|---|---|---|---|---|---|---|---|
| HPTF-1-16 | 1/16 |
27 | 0.250 | 5/32 | 0.140 | 0.052 | 13.6 |
| HPTF-1-8 | 1/8 |
27 | 0.250 | 3/16 | 0.140 | 0.049 | 22.6 |
| HPTF-1-4 | 1/4 |
18 | 0.406 | 1/4 | 0.218 | 0.045 | 54.2 |
| HPTF-3-8 | 3/8 |
18 | 0.406 | 5/16 | 0.250 | 0.040 | 108.5 |
| HPTF-1-2 | 1/2 |
14 | 0.531 | 3/8 | 0.312 | 0.067 | 162.7 |
| HPTF-3-4 | 3/4 |
14 | 0.531 | 9/16 | 0.312 | 0.054 | 271.2 |
P Conduta
TCónico
F Combustível Hilos por pulgada e óleo 7/8 Conicidade 0.875 polegadas por cada 12"
Dureza 36-43 HRC
Temperaturas de utilização 150ºC
| Quantidade na caixa | |
|---|---|
x50 |
|
x100 |
Binário de aperto recomendado
Baixar Ficha Técnica do Produto (0.00 MB)
Download do Catálogo Família (0.00 MB)
Catálogo de Download do Produto (0.00 MB)
Imagem Download Product (0.00 MB)
Download da Imagem 2D Produto (0.00 MB)

















1/16
1/2