DIN 6321*
DIN 6321*
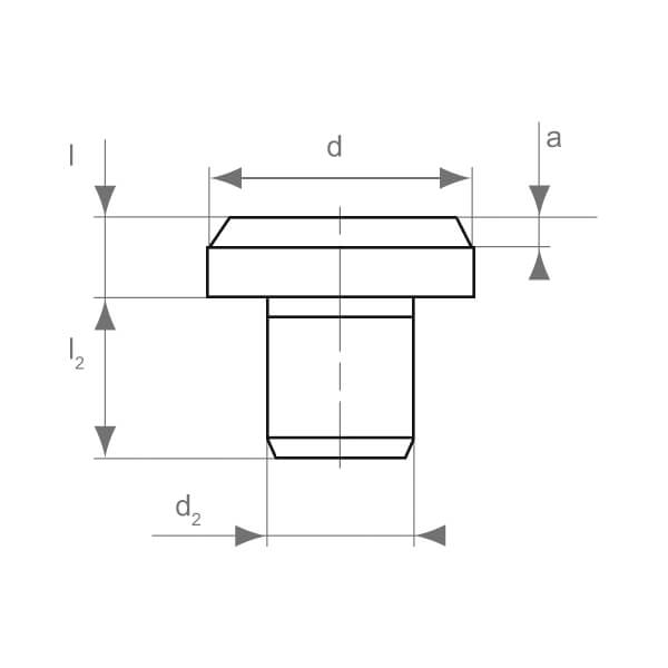
Guia de centragem
*Conforme a antiga norma DIN 6321
Aço temperado, retificado, de oxidação negra
| Ref. | d | l (h9) | d2 (n6) | l2 | a (45°) |
|---|---|---|---|---|---|
| 6321-6-5 | 6 | 5 | 4 | 6 | 1,2 |
| 6321-10-8 | 10 | 8 | 6 | 8 | 1,6 |
| 6321-16-5 | 16 | 5 | 8 | 10 | 2,0 |
| 6321-16-13 | 16 | 13 | 8 | 10 | 2,0 |
| 6321-25-8 | 25 | 8 | 12 | 14 | 2,5 |
| 6321-25-20 | 25 | 20 | 12 | 14 | 2,5 |
| 6321-40-13 | 40 | 13 | 20 | 20 | 3,2 |
| 6321-40-32 | 40 | 32 | 20 | 20 | 3,2 |
Para assentar ou utilizar como topo em peças de trabalho e equipamentos. Também pode ser utilizar como pé ou posicionador
Outras medidas e versões especiais, disponíveis sob consulta.
Baixar Ficha Técnica do Produto (0.00 MB)
Download do Catálogo Família (0.00 MB)
Catálogo de Download do Produto (0.00 MB)
Imagem Download Product (0.00 MB)
Download da Imagem 2D Produto (0.00 MB)
















